首页> 新闻中心
屏蔽泵运行检查
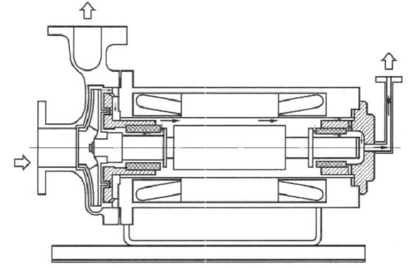
屏蔽泵用将定子绕组和转子绕组别离置于密封金属筒体内的屏蔽电动机驱动、泵壳与驱动电机外壳用法兰密封相连,取消了泵轴动密封布局的泵。适于运送宝贵液体或带放射性的液体。
屏蔽泵气动之前的查看作业:
1、查看绝缘电阻必须在2M欧米噶以上;
2、查看屏蔽泵电机的旋转方向时分与泵壳上箭头方向共同;
3、查看屏蔽泵轴承监视器能否指向规则的区域,指针指向赤色目标带为反常;
4、查看冷却液能否已通。
屏蔽泵的气动步调:
1、介质温度较高则应进行预热,升温速度为50℃/h,已包管各部位受热均匀;
2、全开进口阀,扫除屏蔽泵内部的气体,使管路中充溢液体;
3、气动机泵,充沛扫除屏蔽泵泵体内的气体;
4、排气完毕后,查看出口压力表时分在规则的压力上,并渐渐翻开出口阀,使排出量到达作业点流量;
5、查看屏蔽泵电机温度<70℃;
6、运转过程中注重粗滤器前后的压力差,若是压力差增大或过大时,要进行倒泵处置。



